24小时客户服务热线 13732673289

产品详情
1.高速换刀機構設計,配合預先感應控制,結合高效能打刀系統,進行换刀工作。實際測試結果,刀對刀的交换時間1.8秒(60HZ),實現高速换刀功能。
2.多面體零件量產加工利器,X/Y/Z轴快移速度48/48/48m/min或60/60/60m/min。
3.主轴轉速12000rpm/15000rpm,BT-40精密主轴。
産品特點
1.喬硕立加五軸加工中心機,在航空、汽重零部件、模具、醫療精密部件、高精密五金工具部件、高復雜精密另類部件等等,同時加工時間短,可實行一次性加工到位,提供整體解决方案。
2.大直徑C3級杆,帶預拉結構,消除部分熱延伸,杆軸承朵。用注油潤滑,延長軸承壽命。
3.主軸箱移動配大功力伺服電機,Z軸動電機具有良好的負载特性,在高速移動時,不產生晃動。

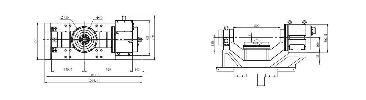
尺寸規格

局部展示

产品参数

